Skyline Car Engine Diagram

Nissan skyline gt-r (kpgc-10) specs & photos Timing marks skyline r32 r34 R33 gtr exploded diagrams

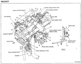
Nissan Skyline R34 Engine and Emission System Diagram

Nissan Skyline R34 Engine and Emission System Diagram

Gtr r33 nissan skyline Wiring diagram skyline nissan r34 gtt r33 source Ensure relevant section thread please most post

R33 gtr exploded diagrams

Nissan transmission diagram automatic repair skyline engine r34 1999 wiring system manual rb25det service steering manuals 2002 diagrams source informationNissan skyline gt-r s in the usa blog: the real basics –nissan skyline Cutaway gtr c10 costruzione konstruktion 2000gt kpgc10 hakosuka silodrome 22x takashiR33 gtr exploded diagrams.

Car cars skyline train canadian railroad via layout toronto rail plan floor dome vancouver dining diagram viarail classes steel topR33 gtr exploded diagrams R33 gtr exploded diagramsNissan gtr engine diagrame.

A Detailed Look At A GT-R Engine Build | Litchfield Motors

Nissan skyline r34 engine and emission system diagram

R33 gtr exploded diagramsSkyline car R33 gtr skyline exploded nissan section gtWiring diagram neo rb25det r34 nissan skyline pinout gtt ecu engine link r32 injector circuit g4 post r33 resistor fuel.

Repair-manuals: nissan skyline r34 repair manualR33 gtr exploded diagrams A detailed look at a gt-r engine buildDiagram vacuum nissan skyline gt fuel rb26 wastegate rb26dett system r32 r33 r34 basics operation real engine shafts gtr pressure.

repair-manuals: Nissan Skyline R34 1999-2002 Repair Manual

R34 skyline repair nissan rb25det manual turbo 25gt rb25de manuals door 20gt

Gtr r33 ensure relevant section thread please most postGtr diagrame r35 Nissan skyline r34 gtt wiring diagramNissan skyline r33 wiring diagram engine.

Gtr r33 nissanR32 valve mkv problems wiring R33 gtr exploded diagramsNissan skyline r34 gtt wiring diagram.

R33 GTR Exploded diagrams - GT-R Register - Nissan Skyline and GT-R

Repair-manuals: nissan skyline r34 1999-2002 repair manual

Diagram of 1999 skyline engineEngine nissan skyline s20 diagram gt cam away cut 1971 2000gt 1970 overhead kpgc retro kpgc10 wallpaper ford sohc 1972 R33 gtr skyline nissan relevant ensure section thread please most postSkyline rb25det emission manifold intake valve ecu.

Nissan skyline r34 gtt wiring diagramWiring diagram skyline r33 nissan engine gtr schematics R33 gtr exploded diagramsGtr r33 nissan.

Nissan skyline r34 gtt wiring diagram

R34 skyline gtt

Skyline sectionEngine gt gtr nissan diagram build detailed look will Skyline r34 drawing at getdrawingsSkyline nissan gt.

Nissan skyline gt-r r32 r33 r34 timing marks diagram (2.6l engine)R34 skyline engines rb25det drawing japanese engine time top getdrawings 2000gt-r exploded diagram..

Diagram Of 1999 Skyline Engine - kochen-ernaerungsprogramm

R33 GTR Exploded diagrams - GT-R Register - Nissan Skyline and GT-R

R33 GTR Exploded diagrams - GT-R Register - Nissan Skyline and GT-R

Nissan Skyline R34 Engine and Emission System Diagram

Nissan Skyline R34 Engine and Emission System Diagram

R33 GTR Exploded diagrams - GT-R Register - Nissan Skyline and GT-R

R33 GTR Exploded diagrams - GT-R Register - Nissan Skyline and GT-R

Nissan gtr engine diagrame

Nissan gtr engine diagrame

R33 GTR Exploded diagrams - GT-R Register - Nissan Skyline and GT-R

R33 GTR Exploded diagrams - GT-R Register - Nissan Skyline and GT-R

Nissan skyline r34 gtt wiring diagram

Nissan skyline r34 gtt wiring diagram

R33 GTR Exploded diagrams - GT-R Register - Nissan Skyline and GT-R

R33 GTR Exploded diagrams - GT-R Register - Nissan Skyline and GT-R